Global settings English (US) | mm

Languages
Unit
Cancel
Apply
E-Catalog
Internal Turning
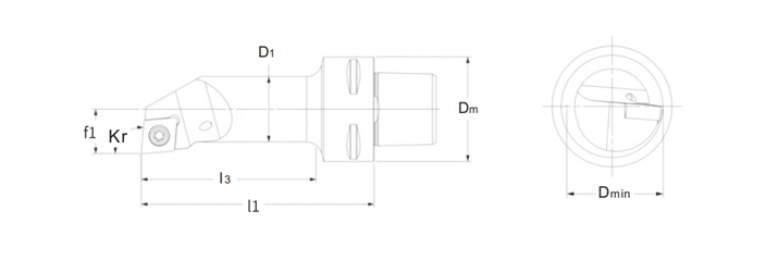
Main Application
Product No.
Designation
Dm
Dmin
D1
f1
l1
l3
l7
Hand
Shim screw
Shim
Key
Insert screw
PSC No.
Clamping system
T2700226
C5-PSC50-SCLCL-27140-12
50.0
50.0
40.0
27.0
140.0
119.0
-
L
512.090.03
322.232.02
248.150.10&241.040.70
ILD4014
PSC50
S