Global settings English (US) | mm

Languages
Unit
Cancel
Apply
E-Catalog
Internal Turning
Main Application
Product No.
Designation
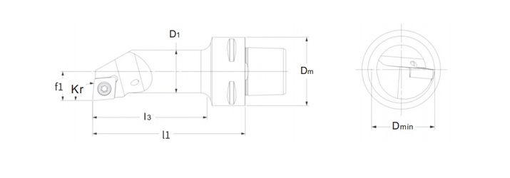
Dm
Dmin
D1
f1
l1
l3
l7
Hand
Shim screw
Shim
Key
Insert screw
PSC No.
Clamping system
Insert type