Global settings English (US) | mm

Languages
Unit
Cancel
Apply
E-Catalog
Internal Turning
Main Application
Product No.
Designation
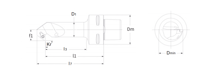
Dm
Dmin
D1
f1
l1
l3
l7
Hand
Shim screw
Shim
Key
Insert screw
PSC No.
Clamping system
T2700239
C4-PSC40-SDUCL-15080-07X
40.0
27.0
20.0
15.0
80.0
58.0
58.0
L
-
-
242.070.35
ILD2565
PSC40
S