Global settings English (US) | mm

Languages
Unit
Cancel
Apply
E-Catalog
Internal Turning
Main Application
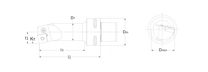
Product No.
Designation
Dm
Dmin
D1
fl
ll
L3
Hand
Screw
Shim
Key
Lever
PSC No.
Clamping system
SP101132
C4-PSC40-PSKNR-17090-12
40.0
32.0
25.0
17.0
90.0
69.0
R
414.838.32
-
241.025.56
413.838.41-1
PSC40
P