Global settings English (US) | mm

Languages
Unit
Cancel
Apply
E-Catalog
Internal Turning
Main Application
Product No.
Designation
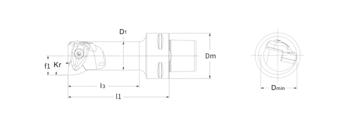
Dm
Dmin
D1
fl
ll
l3
Hand
Shim Screw
Shim
Key
Complete clamp set
PSC No.
Clamping system
T2700176
C4-PSC40-DWLNR-17090-08
40.0
32.0
25.0
17.0
90.0
69.0
R
ILD4085
322.328.02
248.150.10
412.028.021
PSC40
D