Global settings English (US) | mm

Languages
Unit
Cancel
Apply
E-Catalog
Internal Turning
Main Application
Product No.
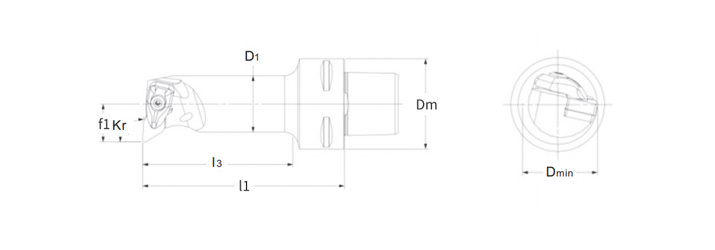
Designation
Dm
Dmin
D1
fl
ll
l3
Hand
Shim Screw
Shim
Key
Complete clamp set
PSC No.
Clamping system
T2700173
C5-PSC50-DDUNR-27140-15
50.0
50.0
40.0
27.0
140.0
118.0
R
ILD4085
322.266.02
248.150.10
412.028.021
PSC50
D