Global settings English (US) | mm

Languages
Unit
Cancel
Apply
E-Catalog
Internal Turning
Main Application
Product No.
Designation
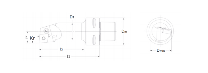
Dm
Dmin
D1
fl
ll
L3
Hand
Screw
Shim
Key
Lever
PSC No.
Clamping system
Insert type